chaguwang.cn-查股网.中国
查股网.CN
新华制药(000756)内幕信息消息披露
 
个股最新内幕信息查询:    
 

投资1.2亿,新华制药高端API产业创新中心项目

http://www.chaguwang.cn  2025-12-11  新华制药内幕信息

来源 :原料药情报局2025-12-11

  【原料药情报局】获悉:近日,关于 新华制药 高端API产业创新中心项目在相关网站公示。

  项目基本情况

  项目名称: 新华制药 高端API产业创新中心项目

  建设单位:山东 新华制药 股份有限公司

  建设地点:扩建项目位于淄博市张店东部化工区昌国路229号 山东 新华制药 股份有限公司二分厂 现有厂区内

  建设性质:扩建

  项目投资:项目总投资12077万元,其中环保投资80万元,占总投资的0.66%;占地面积:新建现代医药产业中心Ш厂房占地面积为2529.68m2,全厂占地面积约282821m2(424.5亩)

  行业类别:C2710化学药品原料药制造

  建设周期:12个月

  建设内容及规模:在二分厂现有厂区内氢可厂房西侧预留空地处新建1座4层现代医药产业中心Ⅲ厂房(属于204车间),该厂房东侧1-4层区域新建1条800t/a碳酸司维拉姆生产线。

  产品方案

  扩建项目新建1条800t/a碳酸司维拉姆生产线,该生产线与在建的1条200t/a碳酸司维拉姆生产线的原辅材料、生产工艺及规律、产品质量标准一致,各自生产,互不影响达产后,二分厂碳酸司维拉姆的产能为1000t/a。

image.png

  碳酸司维拉姆,是一种非吸收性磷酸盐结合剂,主要用于控制慢性肾脏病(CKD)尤其是透析患者的高磷血症,其作用机制基于独特的分子结构与肠道内磷酸盐的靶向结合。碳酸司维拉姆在肠道中通过离子键和氢键结合食物中的磷酸根,形成不可吸收复合物,减少磷的吸收,从而降低血清磷水平,这一作用对 CKD患者至关重要。碳酸司维拉姆作为指南推荐的一线降磷药物,其核心价值在于高效降磷、心肾保护、安全性可控,尤其适合长期透析且合并心血管高风险的患者。

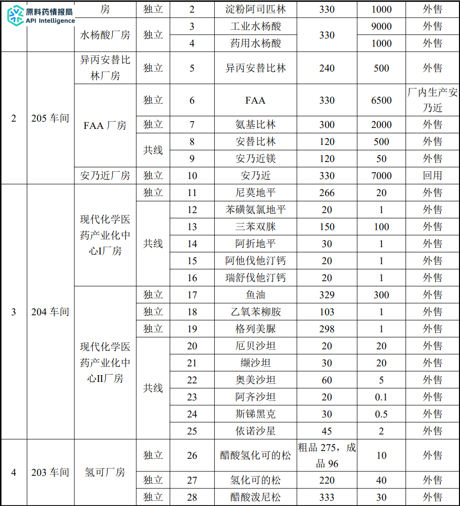
  厂区现有产品方案

image.png

image.png

  在建项目

  在建项目依托现有207车间建设1条水杨酸铋、水杨酸钠、水杨酸镁共用生产线。204车间包含现代化学医药产业化中心I厂房和现代化学医药产业化中心Ⅱ厂房。203车间主要包含氢可生产厂房和溶剂回收车间。

image.png

image.png

image.png

  山东 新华制药 股份有限公司,注册地址为淄博市高新技术产业开发区化工区。公司现有5个生产厂区,位于淄博市内有3个生产厂区,分别是总部园区、一分厂、二分厂,其中总部园区位于淄博高新区鲁泰大道1号,占地面积500亩,是公司的办公中心、研发中心、营销中心以及制剂生产中心;一分厂位于淄博高新区化工路13号,占地面积450亩,是公司原料药生产基地,主要产品有布洛芬、 咖啡因 、左旋多巴、吡哌酸、卡巴匹林钙等品种;二分厂位于张店化工产业园(原张店东部化工区),占地面积500亩,是公司原料药生产基地,主要产品有阿司匹林、安乃近、氨基比林、鱼油、碳酸司维拉姆、尼莫地平、盐酸苄丝肼等产品。

查股网为非盈利性网站 本页为转载如有版权问题请联系 767871486@qq.comQQ:767871486
Copyright 2007-2025
www.chaguwang.cn 查股网