来源 :集微网2024-02-04
国民技术的安全芯片专利,通过使外部采集到的信号为随温度变化的目标电磁信号,减小了安全芯片的数据与目标电磁信号的相关性,增加了抗电磁分析能力。
集微网消息,年度行业盛会“ELEXCON 深圳国际电子展暨嵌入式系统展”在深圳会展中心盛大举行,国产安全芯片的创新引领者国民技术携带通用MCU、安全芯片、无线射频等最新产品技术和解决方案参加展会。
目前市场上使用较多的抗电磁分析防护技术主要为掩码防护技术以及电磁屏蔽封装结构技术。然而对于掩码防护技术,其作用机制是有迹可循的,因此攻击者可以利用高阶能量分析技术来消除掩码对芯片的保护作用。而对于磁屏蔽封装结构,结构设计较为复杂,攻击者可以通过物理入侵的攻击方式,对芯片进行开封,去除芯片封装,致使屏蔽结构失效。
为此,国民技术于2022年4月20日申请了一项名为“一种抗电磁分析的防护电路”的发明专利(申请号: 202220916872 .2),申请人为国民技术股份有限公司。

图1 芯片内部电路连接图

图2 防护电路连接图
图1图2分别为芯片内部电路连接图以及防护电路连接图,将防护电路加入芯片,芯片中包括了若干个内部电路和电源输入、输出端口,内部电路与端口直接使用引线连接,该芯片可以理解为安全芯片或密码芯片。防护电路设置在安全芯片的内部,且包括:振荡电路模块以及敏感电路模块,主要由电子硬件组成,该防护电路可以理解为敏感硬件防护电路。安全芯片中的需保护电路(内部电路)并联一个防护电路,确定安全芯片的电源端和接地端之后,将时钟方波信号输入防护电路,防护电路的另一端接地。
振荡电路模块位于安全芯片的需保护电路的外部,且存在预设距离。振荡电路模块主要位于需保护电路的周围,与安全芯片的电源输入端相连,将电源输入端输入的时钟方波信号转换为第一电磁信号。敏感电路模块与振荡电路模块相连,根据敏感电路模块的外部温度环境产生相应的电流信号。敏感电路模块将电流信号输入振荡电路模块,此时振荡电路模块根据其以及第一电磁信号输出第二电磁信号,第二电磁信号结合需保护电路处理数据产生的第三电磁信号得到目标电磁信号,即芯片辐射出去的电磁信号为该目标电磁信号。

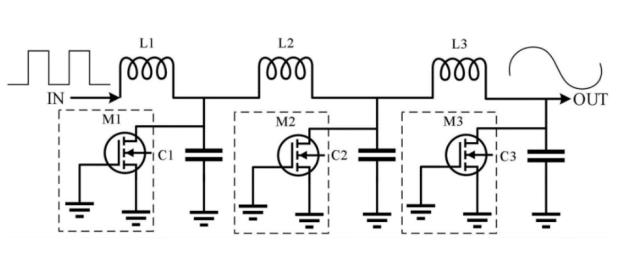
图3 防护电路结构图
图3为防护电路结构图,其中电感元件位于需保护电路的上方,且与需保护电路相对应。由于内部电路就是各个逻辑元件串联或者并联连接而成,防护电路需靠近需保护电路,为了使需保护电路处理数据产生的第三电磁信号,需通过电感元件才能向芯片外辐射。利用简单的LC振荡电路实现电磁干扰信号的产生,为满足芯片电路的尺寸设计要求,电容元件选择晶体管级的电容,电感元件则通过利用导线在平面上绕制成螺旋形状、具有电感功能的电路实现,电感元件覆盖在需保护的电路上方,振荡电路的输入为时钟方波信号,经过振荡电路之后会产生正弦信号,同时产生电磁信号。
简而言之,国民技术的安全芯片专利,通过使外部采集到的信号为随温度变化的目标电磁信号,减小了安全芯片的数据与目标电磁信号的相关性,增加了抗电磁分析能力。
国民技术专注于信息安全、SoC、无线射频等核心技术研发,是通用MCU、安全芯片领先企业和国家高新技术企业。国民技术掌握芯片安全先进核心技术,未来将逐步与国际先进水平接轨。
关于爱集微知识产权

“爱集微知识产权”由曾在华为、富士康、中芯国际等世界500强企业工作多年的知识产权专家、律师、专利代理人、商标代理人以及资深专利审查员组成,熟悉中欧美知识产权法律理论和实务。依托爱集微在ICT领域的长期积累,围绕半导体及其智能应用领域,在高价值专利培育、投融资知识产权尽职调查、上市知识产权辅导、竞争对手情报策略、专利风险预警和防控、专利价值评估和资产盘点、贯标和专利大赛辅导等业务上具有突出实力。在全球知识产权申请、挖掘布局、专利分析、诉讼、许可谈判、交易、运营、一站式托管服务、专利标准化、专利池建设等方面拥有丰富的经验。我们的愿景是成为“ICT领域卓越的知识产权战略合作伙伴”。