来源 :扬杰科技2022-03-22
扬杰科技推出小信号SOT-723新封装
-产品介绍-
SOT-723新品可封装开关管、普通三极管及数字三极管等系列产品。
同比SOT-523封装,SOT-723体积缩小了一半,但仍能保持相同的电流能力。
不仅满足客户对于不同封装的需求,丰富了其选择的多样性,更能够满足行业对产品更小化,更薄化的发展需求。
应用范围包括做开关用,低电平信号调理,逻辑应用程序。
表面贴装封装,采用环保物料,符合RoHS标准

-产品特点-
开关速度快。
正向压降低。
开关机放大效应。
满足MSL1湿度敏感等级标准。
-电性参数-


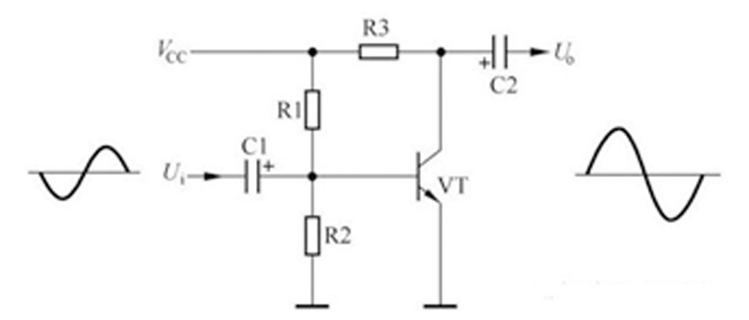
-应用电路-
(1).开关二极管电路

(2).三极管放大电路

-应用领域-
移动通信
电源行业
小型家用电器
适配器行业
消费类电子行业

/////////

/////////
