概述
风机塔架混塔基础是盈建科风电机组塔架地基基础设计软件(YJK-WTF)从5.3.0版本开始新增的基础形式,由于混塔基础是近年来流行的一种新的基础形式,所以自从推出以来,广大设计师朋友们积极使用,有越来越多的设计师使用YJK-WTF进行混塔基础设计。广大设计师朋友们在使用软件进行混塔基础设计时,对于混塔基础的相关概念以及盈建科软件的参数、原理、功能等经常提出一些问题,针对这些高频问题,整理了这篇文章,希望能帮助设计师们了解软件、更高效地使用软件,提高设计效率。
一、混塔基础的基本概念
#01
什么是混塔基础?
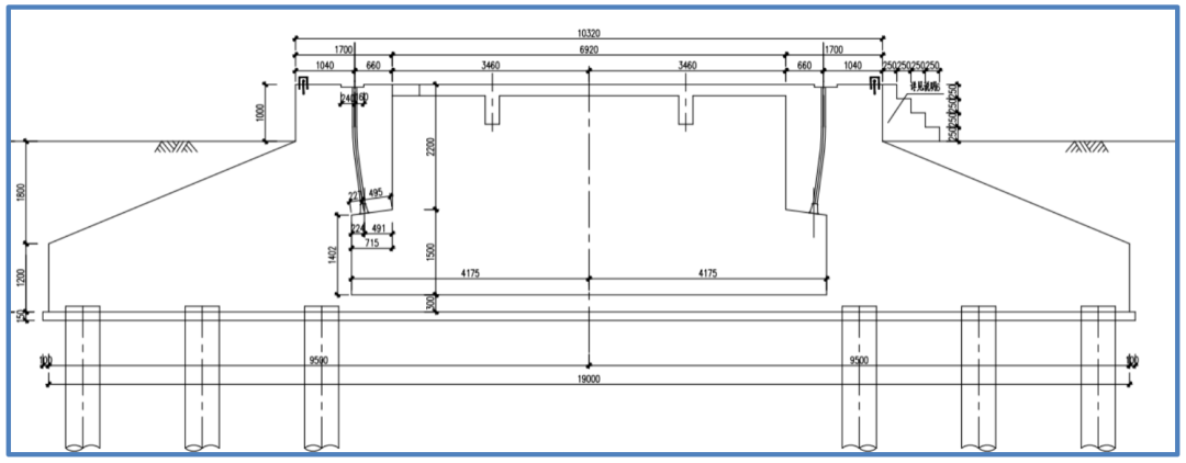
随着装机容量的增加,叶片越来越长,这就要求塔筒也越来越高,在塔筒稳定性要求下塔筒的壁厚和直径也越来越大,这就导致塔架不易运输、安装困难。为了改善传统的塔架(格构式钢塔架、圆锥形钢塔筒、混凝土塔筒)的这一问题,近年来出现了一种新型的塔筒——钢筋混凝土钢混合塔筒,简称为混塔塔筒。其塔筒底部是预应力钢筋混凝土塔筒、顶部是钢塔筒。混塔基础就是对应混塔塔筒的基础,其有空腔,能放置设备。根据空腔底板底与扩展基础底板底标高是否一致,分为平底式混塔基础和下凸式混塔基础。

平底式

下凸式
#02
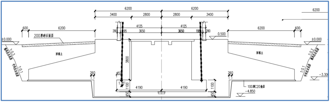
混塔基础空腔的作用?
混塔的基础需要有空腔,用来张拉混凝土塔筒的预应力,即:预留预应力张拉操作空间,同时也能放设备。
二、预应力锚索相关概念及如何在软件中设置
#01
混塔基础中预应力锚索作用?
混塔基础中预应力锚索是张拉混凝土塔筒的,同时也把塔筒和基础固定、连接在一起。
#02
体内预应力与体外预应力是如何区分的?
混塔基础,是对应钢筋混凝土-钢塔筒,钢筋混凝土部分是有预应力的,根据预应力锚索设置位置与塔筒的关系,可以分为体内预应力与体外预应力。预应力钢锚索设置在塔筒内部,即穿过塔筒壁,就是体内预应力;预应力锚索设置在塔筒壁外侧的就是体外预应力。
软件中在【预应力锚索】菜单下,选择体内预应力或体外预应力进行设置。

体内预应力

体外预应力

#03
分度圆半径是什么?
预应力锚索穿过牛腿,锚索与牛腿上下表面的交点到圆心的距离即为分度圆半径r1和分度圆半径r2。
下截图中,分度圆半径r1=3650mm,分度圆半径r2=4190-457=3733mm。

#04
预应力锚索中的参数如何输入?
下图节选自一个实际工程的总说明,我们以其中的预应力锚索数据为例进行说明。

根据《预应力混凝土用钢绞线》,公称直径是15.2mm的钢绞线,是指由7根冷拉光圆钢丝捻制而成的一根钢绞线,如下图。11根这样的钢绞线放到一个锚具中,形成一束钢绞线也就是一根锚索。一共有36根锚索,即36束钢绞线,一根锚索有一个孔道,共36个孔道,每个孔道直径是100mm。

根据以上分析,在【预应力锚索】菜单中输入锚索孔道个数36、锚索孔道直径100、单个锚具钢绞线根数11,并按总说明把锚索张拉控制应力、钢绞线极限强度值也输入。

三、牛腿是12等分计算,还是按预应力锚索的数量进行划分?
盈建科风机基础软件支持有限元算法和规范算法。有限元算法中风机荷载是通过矮墙(软件自动生成100mm高的矮墙)传递荷载,矮墙上有12个节点、划分为12段,关于竖向力、水平力、弯矩在12个节点的分配,具体可参考技术周刊2023年第43期《风机塔架基础设计中不可忽视的几个关键问题(下)》。


采用规范算法时,牛腿按锚索数量进行划分。目前是按锚索数量等分进行计算,实际由于有塔筒门洞等,锚索可能不是等分,暂时没有找到更好的办法解决,后续有更好的方法再进行完善。
其中,锚索等分的角度为θ=360°/N,N为锚索数量。如下图。

四、牛腿的纵向受力钢筋如何计算?
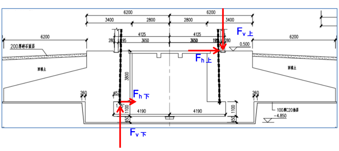
混塔基础空腔上部环壁可以看作柱牛腿进行计算,在问题三中,我们已经知道,牛腿根据预应力锚索的数量进行划分,每个计算单元包含一组预应力锚索。如下截图,其中S1 为计算单元的扇环形净面积。

在塔筒和预应力锚索作用下,牛腿顶部受到塔筒底部传递的水平力Fh上和竖向力Fv上;牛腿底部受到锚索产生的水平力Fh下和竖向力Fv下,如下图。

#01
牛腿顶部受力
牛腿顶部在塔筒底部荷载(竖向力Fz、水平力Fr、弯矩Mr)作用下:牛腿上部竖向力Fv上取塔筒下的混凝土最大压应力对应的压力,即:
Fv上——牛腿上部竖向力设计值(kN);
B3 ——塔筒直径(m);
I ——环形构件的截面惯性矩(m3);
S1 ——计算单元的扇环形净面积(m2);
A——环形构件的有效截面面积(m2);
Fz、Mr——塔筒底部竖向力(kN)设计值、弯矩(kN.m)设计值。
牛腿上部水平力Fh上为风机荷载传递到塔筒底部的水平力Fr,即:
Fh上——牛腿上部水平力(kN);
Fr——塔筒底部水平力设计值(kN)。
#02
牛腿底部受力
迎风侧不脱开时,在底部锚索预拉力Pa作用下,牛腿下部的最大竖向力Fvk下和最大水平力Fh下分别为锚索预拉力在竖向和水平向的分力,即:
Fvk下——牛腿下部竖向力(kN);
Fh下——牛腿下部水平力(kN);
Pa ——锚索预拉力设计值(kN);
θ——锚索与竖直方向的夹角(°)。
#03
牛腿纵向受力钢筋面积
牛腿在竖向力和水平力作用下,按《混规》9.3.11条计算牛腿的纵向受力钢筋。


根据《混规》9.3.11条,牛腿纵向受力钢筋总面积为竖向力所需的受拉钢筋截面面积As1和承受水平拉力所需的锚筋截面面积As2之和,即:
As1——竖向力所需的受拉钢筋截面面积(mm2);
As2——水平拉力所需的锚筋截面面积(mm2)。
其中牛腿水平拉力Fh取牛腿上部水平力Fh上和下部水平力Fh下的较大值,根据《混规》9.3.11条,得到水平拉力所需的锚筋截面面积As2:
fy——牛腿纵向受力钢筋强度设计值(MPa);
Fh——牛腿水平拉力(kN)。
牛腿竖向力Fv取牛腿上部竖向力Fvk上和下部竖向力Fvk下的较大值,根据《混规》9.3.11条,得到竖向力所需的受拉钢筋截面面积As1:
a——上部竖向力距下柱(侧墙)边缘或下部竖向力距塔筒内缘的水平距离(mm);
#04
构造要求
对于竖向力所需的纵向受力钢筋As1的配筋率ρmin,按《混规》9.3.12条的要求,满足:

五、牛腿能按《水工混凝土结构设计规范》进行设计吗?
《混规》与《水工混凝土结构设计规范》(以下简称《水工混规》)求解牛腿纵向受力钢筋总面积的公式不同,受拉钢筋最小配筋率及一些构造要求也不相同。如求解牛腿受力钢筋中截面公式中,两个规范规定不同:《混规》公式(9.3.11)当a≤0.3h0时,取a=0.3h0。《水工混规》中,分为a≥0.2h0和a 0.2h0两种情况,分别采用公式(11.9.2-1)和公式(11.9.2-2);且增加了γd结构系数和βs受力钢筋配筋量调整系数。



为满足设计师朋友不同的使用需求,V7.1.0 版本增加新功能,支持牛腿按《水工混规》进行设计,满足《水工混规》要求。
具体操作是:在【常规设置】菜单中点击【选择规范】按钮,在弹出的【牛腿计算】菜单中,【纵向受力钢筋面积】选择《混规》或《水工混规》,《水工混规》下需设置结构系数γd和受力钢筋配筋量调整系数βs。

以上就是风机塔架混塔基础在盈建科软件(YJK-WTF)中应用的高频问题总结的全部内容,相信通过这篇文章,设计师们对混塔基础概念更加清晰明确,对盈建科风机基础软件混塔基础的设计有了更进一步的了解!希望对设计师们在风机基础设计上有帮助!