引言
从金属加工到汽车制造,从铁路建设到轮船建造,人们利用焊接技术和焊接设备将各种材料连接拼合,打造出一件件工业艺术品,因此,电焊机也被工业从业者们称为"钢铁缝纫机"。然而,在进行工业焊接时,也会伴随着大量能源消耗。预估到2040年,全球工业领域的能源消耗量将翻一番。秉承着绿色环保、物尽其能的理念,市场更青睐于工作更加轻便快捷、用电更加节能高效的焊机产品。

图1 工业逆变焊机实物图
2
逆变焊机市场介绍
逆变焊机在工作时先将电网中的交流电整流成直流电,再逆变成交流电,经过逆变后的交流电频率很高,所以只需要很小的主变压器的铁心截面积和较少的线圈匝数就可以实现这一过程,使逆变焊机的制造过程中不需要使用过多的金属材料,相较于传统焊机在尺寸、重量、电能损耗等方面有着难以超越的优势。不仅如此,逆变焊机对输出电流调整的精度控制在微秒级,更高的精度带来了更满意的焊接效果。这些优势令逆变焊机在我国焊接切割市场的占有率提升迅猛。
根据前瞻产业研究院《中国焊割设备行业产销需求与转型升级分析报告》显示,近年来我国焊接切割设备行业市场规模总体保持稳定,2020年达到497.02亿元,而逆变焊机约占其中的一半左右,市场规模超过200亿元且保持较高增长态势。图2.1和图2.2分别反映了我国焊割设备市场发展情况和分布情况。

图2.1? 2011-2020年我国焊接切割设备行业市场规模

图2.2?焊机在各行业应用比例
从上述市场情况可以了解到,逆变焊机市场需求量巨大,这也是很多电子制造业都瞄准的重要市场领域。
3
逆变焊机主流方案介绍
从传统焊机到逆变焊机,设计发生了巨大变化,主要包括一次整流电路、逆变电路、二次整流电路、辅助电源电路和PWM控制电路。
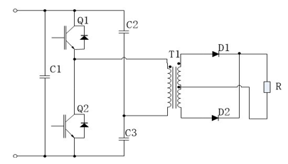
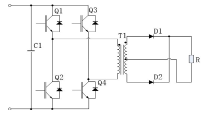
在逆变焊机中,全桥电路拓扑和半桥电路拓扑最为常用。图3.1和图3.2展示了两种结构的电路拓扑。
半桥电路被广泛应用于中小功率逆变电源。变压器原边绕组通过交替开关在两个方向上对称地被驱动,导致变压器的完全复位并实现磁芯最大化利用。与全桥电路相比,半桥电路仅使用了两个功率开关管,在节省成本的同时为器件带来了一定的抗偏磁能力。
全桥电路结构有四个功率开关管,当所有开关管工作在相同的电流大小时,全桥拓扑能够提供相对于半桥电路两倍的输出功率。全桥电路的变压器磁芯利用率最高。通常情况下,全桥拓扑一般应用于输出电流在 400A 以上的弧焊电源。

图3.1?半桥电路拓扑

图3.2?全桥电路拓扑
4
上海贝岭1200V/40A IGBT技术特点
上海贝岭一直在积极研发新一代的IGBT技术,努力为逆变焊机设计提供性能更好和更加可靠的IGBT产品,助力逆变焊机装备的高效设计,满足市场终端需求,同时也为国家的低碳目标做出重要贡献。
针对三相逆变焊机的普遍需求,上海贝岭推出了型号为BLG40T120FUK的1200V/40A高速IGBT器件。该器件具有开关速度快、关断损耗小等特点,可满足客户大功率和高效率设计要求。目前,该IGBT产品已在国内部分焊机客户批量使用。
4.1 器件技术
上海贝岭1200V/40A IGBT产品BLG40T120FUK采用了沟槽栅场终止结构和特殊工艺控制,优化了VCE(on)和Eoff参数,提升了产品的可靠性。
4.2 器件参数性能
BLG40T120FUK具有较小的寄生电容,这保证了器件有更高的开关速度。
较小的IGBT器件关断损耗和通态损耗,搭配正向压降较低的续流二极管,显著减小了器件的总损耗。开关损耗的减小可间接提高开关频率。
此外,较低的Qg 有助于降低对栅极驱动的功率能力的要求,驱动更容易。
4.3 系统优势
IGBT器件总损耗的减小,可在大功率输出工况下大大提升逆变焊机的工作效率,显著降低正常工作时器件的温升。
更高的器件开关频率也会显著提升逆变焊机在实际应用中的控制精度。
上海贝岭BLG40T120FUK基于优异的器件性能,为工业逆变焊机系统顺利通过温升、输出短路等测试提供了保障。
4.4 可靠性测试
BLG40T120FUK产品符合工业级品控,耐受严酷的使用环境,已通过的主要可靠性项目如下:
