未来已来,氮化镓的社会经济价值加速到来。
本文介绍了镓未来和纳芯微在氮化镓方面的技术合作方案。镓未来提供的紧凑级联型氮化镓器件与纳芯微隔离驱动器配合,隔离驱动器保证了异常工作情况下对氮化镓器件的有效保护,完美展现了氮化镓在先进应用中高效率低损耗的核心价值,让工程师放心无忧采用氮化镓。
普通消费者了解并接受氮化镓,是从2018年氮化镓PD快充开始的。凭借氮化镓卓越的开关特性,可以高频工作,实现高转换效率,氮化镓PD快充成功实现了小型化和轻量化,消费者易于携带,用户体验大幅度提升。在过去几年内,氮化镓在PD快充中的渗透率逐步提升,消费者对氮化镓的认知是“氮化镓=黑科技”,采用氮化镓的PD快充可以卖到小几百元,普通的采用硅器件的PD快充售价往往在一百元以内。氮化镓的应用,很快从PD快充拓展到其它消费类产品中,输出功率从30W、65W逐步提升到120W甚至更大功率。
普通消费者,甚至对氮化镓了解不多的工程师,普遍认为氮化镓只能实现几十瓦到一百多瓦的输出功率。这种情况基本属实,因为增强型氮化镓目前只有QFN/DFN和TOLL等贴片封装形式,在中大功率应用场景的散热问题难以解决。但是,镓未来氮化镓采用独特的紧凑级联型技术,封装形式涵盖QFN/DFN、TOLL、TO-220和TO-247等多种形式,满足小功率(30W~300W)、中功率(300W~1kW)和大功率(1kW~6kW)等各种丰富的应用场景。
镓未来在成立之初,聚焦中小功率的应用和市场拓展,但是从2022年开始,公司发力中大功率的应用市场,在便携式储能双向逆变器、服务器电源、算力电源和植物照明电源等应用领域取得不少突破。市场对氮化镓接受程度的稳步提升,主要得益于社会对节能减排和高效率电能转换的普遍共识。

80+能效标准

嵌入式电源能效分级认证技术规范

EU lot9存储电源效率要求
实现80+ 96%钛金效率,或者CQC嵌入式电源输出40V以内能效VI级96%峰值效率和VII级97%峰值效率,最具性价比的解决方案是氮化镓图腾柱无桥PFC拓扑加谐振软开关LLC拓扑的方案。
第一部分:氮化镓实现高转换效率,赋能节能减排
氮化镓凭借卓越的开关特性,具有“零”反向恢复电荷Qrr,特别适用于CCMBTPPFC (Continuous Current Mode Bridgeless Totem-PolePowerFactorCorrection)拓扑结构,相较于其它普遍采用的传统拓扑结构,其主要优点包括:
元器件最少,成本最低,性价比最高
效率最高,损耗大幅度下降,热管理简单,可以实现自然散热
单机功率大,功率密度高,重量轻
控制简单,能量可双向流动,整流和逆变一机两用

基于GaN的CCMBTPPFC拓扑
第二部分:氮化镓在中大功率应用中的挑战及应对措施
镓未来作为紧凑级联型氮化镓器件国内领先的供应商,其氮化镓晶圆良率超过95%,结合本地化供应链和资源整合优势,性价比突出。相对于增强型氮化镓来说,镓未来紧凑级联型氮化镓的主要优势包括:
Vgs阈值电压下限高达3.5V,抗干扰性能强,特别适用于高频、硬开关和大功率应用
Vgs阈值电压上限高达20V(静态),30V(动态),驱动兼容SiMOSFET驱动器
不需要负压关断,外围电路简单
有半个体二极管,不需要反并联SBD以降低续流损耗并提升效率
封装种类齐全,包括贴片QFN/DFN/TOLL和插件TO-220/TO-247等封装形式,覆盖全功率范围应用场景
有直接替代料,持续大批量供货无忧

但是,氮化镓普遍存在一些局限,包括雪崩能力偏弱,漏源需要提升过电压能力;还有电流抗冲击能力有待提升,在半桥电路中要预防上下管直通。针对前者,镓未来氮化镓过压能力突出,比如标定耐压650V器件,其Vds在800V下非可重复和750V下可重复的尖峰电压持续时间高达30us。针对后者,驱动器需要具备Interlock功能,即当DSP数字控制器或者模拟控制器给出的上下管驱动电压同时为高时,驱动器通过自身逻辑控制,将上下管驱动电压锁定为低,确保氮化镓器件不会直通并安全工作。在AC输入动态、DC输出动态、雷击浪涌等情况下,DSP数字控制器或模拟控制器可能因为外部干扰,输出误动作信号,具有Interlock功能的驱动器可以有效的保护氮化镓器件。
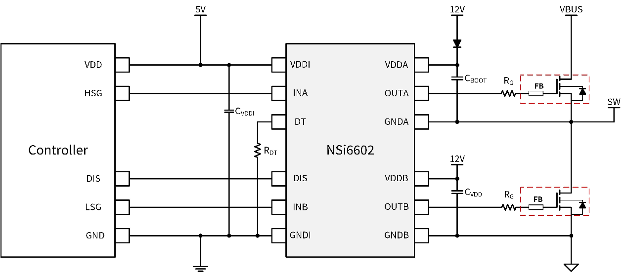
镓未来应用开发团队具有丰富的数字控制和模拟控制经验,已经将半桥氮化镓驱动电路归一化,即统一采用纳芯微NSi6602隔离驱动器。

NSi6602隔离驱动器系统框图
根据NSi6602的逻辑表,DT脚实现输出Interlock功能或者死区调节功能。同时,NSi6602输入信号和输出信号隔离,这样便于PCB板布线,进一步提升抗干扰性能。NSi6602抗共模干扰能力CMTI高达150V/ns,这个在大功率短路和过流保护的时候很重要。另外其上下驱动的差模电压可达1500V,也适用于900V氮化镓器件以及三相系统的应用。

NSi6602逻辑表
好马配好鞍,镓未来氮化镓和纳芯微隔离驱动器比翼双飞,成双成对出现,隔离驱动器保证了异常工作情况下对氮化镓器件的有效保护,完美展现了氮化镓在先进应用中高效率低损耗的核心价值,让工程师放心无忧采用氮化镓。
在实际应用中,BTPPFC采用两颗NSi6602,分别驱动两颗氮化镓快管和两颗SiMOSFET慢管。在LLC部分,如果是半桥LLC,采用一颗NSi6602,如果是全桥LLC,采用两颗NSi6602。

NSi6602典型应用图
针对不用的应用要求,NSi6602提供了不同隔离电压等级和封装类型的系列产品,具体参考下表。

NSi6602隔离驱动器产品选型表
第三部分:丰富的应用案例
便携式储能用GaN双向逆变器:
AC侧支持全球电压范围,包括中欧规和美日规
DC侧典型电压为48V,可定制
功率为2kW,支持各种过载工作
BTPPFC采用两颗G1N65R035TB-N (35m?/650V, TO-247-3L)氮化镓和两颗NSi6602B-PSDNR,工作频率为65kHz
全桥LLC采用四颗G1N65R070TA-H (70m?/650V, TO-220)氮化镓和两颗NSi6602B-PSDNR,谐振频率为120kHz
支持多机并联,提升输出功率
峰值效率96%@ 220Vac


2.5kW高效率高功率密度全数字控制导冷服务器电源
AC输入电压:90Vac~264Vac,低压降额
DC输出:12.2V/205A,Vsb/2.5A
输出功率为2.5kW,支持多机并联
BTPPFC采用两颗G1N65R035TB-N (35m?/650V, TO-247-3L)氮化镓和两颗NSi6602B-PSDNR,工作频率为65kHz
半桥LLC采用一颗NSi6602B-PSDNR,谐振频率为125kHz
峰值效率96.2%,满足80+钛金效率认证


3.6kW高效率算力电源
AC输入电压:180Vac~300Vac
DC输出电压:11.5V-15.5V/240A, 3.6kW
BTPPFC采用两颗G1N65R035TB-N (35m?/650V, TO-247-3L)氮化镓和两颗NSi6602B-PSDNR,工作频率为65kHz
LLC采用两颗NSi6602B-PSDNR,谐振频率为100kHz
满载效率96.2%@ 220Vac

大功率高效率LED驱动电源
AC输入电压:90Vac~264Vac
DC输出电压:56V/12.5A, 700W
BTPPFC采用两颗G1N65R050TB-N (50m?/650V, TO-247-3L)氮化镓和两颗NSi6602B-PSDNR,工作频率为55kHz
LLC采用两颗G1N65R150TA-N (150m?/650V, TO-220)氮化镓和一颗NSi6602B-PSDNR,谐振频率为70kHz
满载效率96.5%@ 230Vac