来源 :中国汽车报网2024-01-16
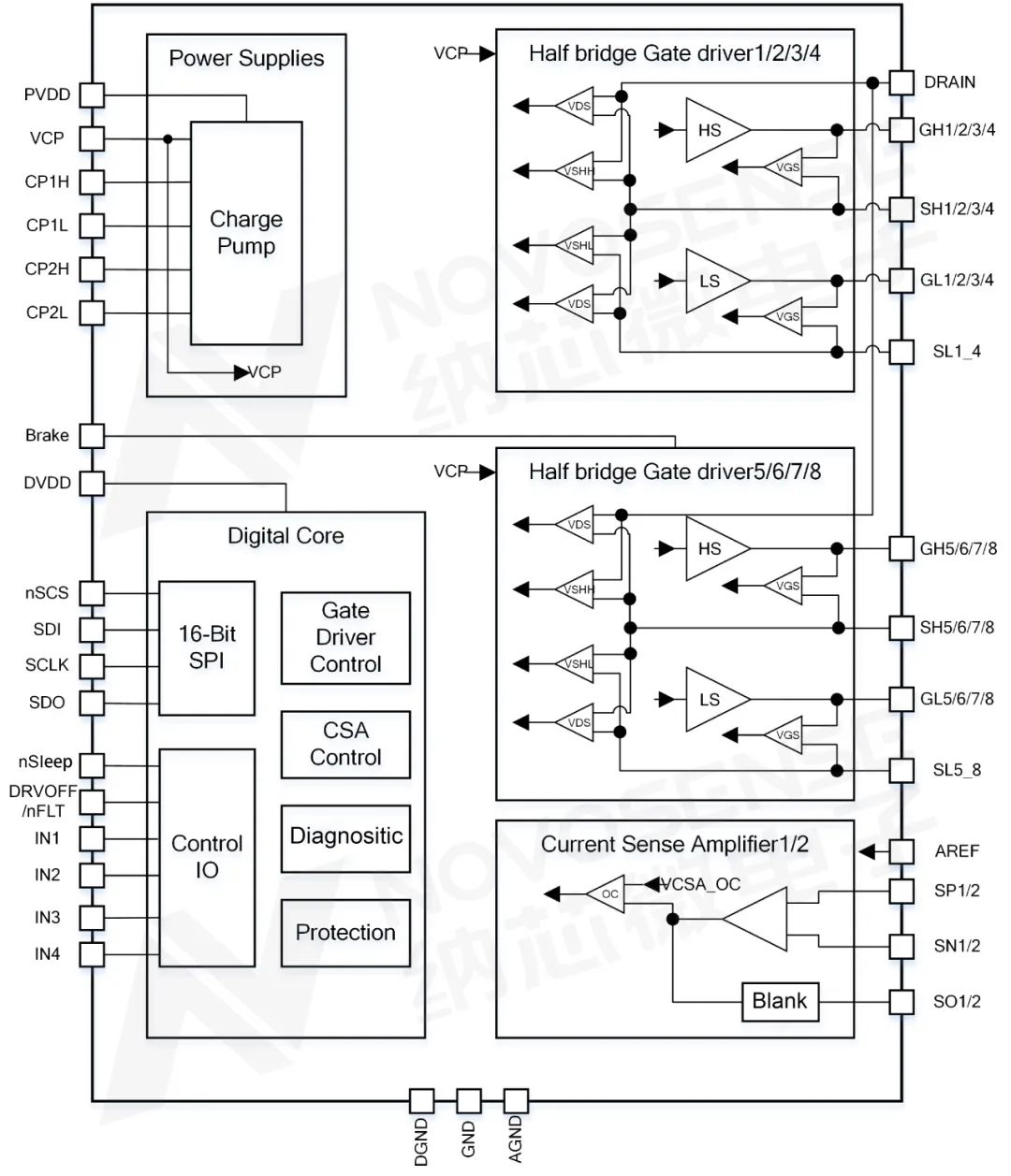
纳芯微全新推出NSD3604/8-Q1系列多通道半桥栅极驱动芯片,覆盖4/8路半桥驱动,可驱动最少4颗直流有刷电机,实现多通道大电流电机驱动,也可以作为多通道高边开关驱动使用。非常适合用于多电机或多种负载应用,如车窗升降,电动座椅,门锁,电动尾门和比例阀等车身控制应用。

NSD360x-Q1产品特性
宽工作电压:4.9V – 37V(最大值40V)
4,8通道半桥栅极驱动
可配置时序充放电电流驱动(CCPD),优化EMC性能
集成2级电荷泵实现100% PWM
集成2路可编程宽模运放
低功耗模式
16位 10MHZ SPI通信
全面的诊断保护功能
工作温度:Tj=-40°C~150°C
封装形式:VQFN40,VQFN56
AEC-Q100认证

图一:NSD3608-Q1功能框图
1可配置时序充放电电流驱动(CCPD)
由于车身应用中执行器的位置特殊性比如电动尾门和天窗非常靠近车身天线,对相应的电机驱动提出了较高的EMC要求,要求驱动器即使在PWM工作时也拥有较低的辐射及传导干扰(RE/CE)。
为了应对这些挑战,NSD360x-Q1提供了可配置时序充放电电流驱动(CCPD:Configurable Charge/Discharge Current Profile Driver)。NSD360x-Q1 可以根据外部负载(MOSFET)参数和应用需求,同时实现4路半桥独立时序电流PWM驱动。
如下图所示,NSD360x-Q1的CCPD模块将MOS导通/关断过程分为三个阶段:预充电/预放电阶段、充电/放电阶段、尾充电/尾放电阶段,所有阶段的持续时间和驱动电流独立可配置。此外,NSD360x还基于内部比较器反馈实际驱动时序(tDON/tDOFF, tRISE/tFALL),用户可以通过这些时序反馈利用MCU改变各阶段的持续时间和电流来实现闭环控制。

图二:CCPD驱动时间示意图
NSD360x-Q1所集成的CCPD不再需要外部门级电阻和GS/GD电容,闭环控制后(需MCU介入完成)可以保持驱动的一致性避免负载和温度等因素带来的影响,同时还能降低驱动功耗和提高EMC性能。
2宽模运放
NSD360x-Q1 内部集成了两个高性能差分放大器(CSA1和CSA2),通过测量外部采样电阻上的差分电压来测量电流,CSAm模块支持可编程增益和偏置,宽共模,双向输入和Blanking功能。通过CSAm模块可以实现精准的电流采样,节省客户BOM。
3全面的诊断保护功能
NSD360x-Q1 集成了全面的诊断保护功能,如实时电源及电荷泵电压监控,实现全功能的欠压过压诊断保护(DVDD UV, PVDD OV, PVDD UV 和VCP UV)、驱动模块监控实现VGS及VDS诊断保护、实现运行和关闭状态下负载的开路,短路诊断(内置了上下拉电流源,从而实现off状态下负载检测)、过热报警及过热保护、看门狗、睡眠模式和工作模式下的刹车保护功能等。所有诊断保护功能支持SPI配置或者信息读取,也支持独立的PIN脚实现IO状态输出(DRVOFF和nFLT 共享一个引脚需要SPI配置功能)。

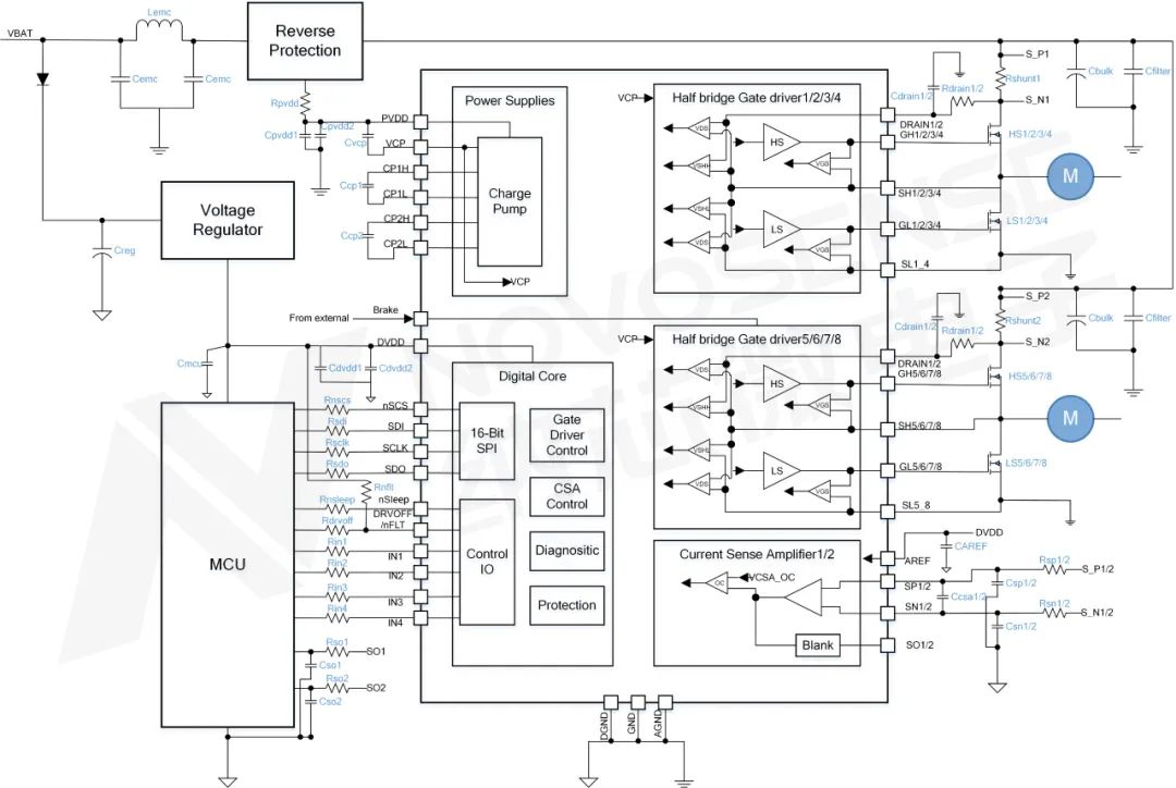
图三:NSD3608-Q1驱动电机负载典型应用原理图
NSD360x产品选型表