来源 :杰华特微电子股份有限公司2025-07-17
当汽车从代步工具升级为智能移动空间,车灯早已超越“照明”的单一功能,成为了汽车的“表情”,更成为了安全的“防线”。复杂路况下的精准控光、极端环境中的稳定输出、智能场景下的动态调节——这些需求都对LED驱动提出了更高挑战。
为此,杰华特推出全新LED控制器JWQ11886,凭借创新技术实现车规级可靠性,为汽车日间行车灯、转向灯或远近光灯等场景提供简单、经济、高效的解决方案,保证复杂环境下稳定的电流输出。
精准控光,响应敏捷
JWQ11886是一款基于峰值电流模式的Boost控制器,输入电压范围4.5V~65V,支持80kHz~700kHz的工作频率,满足AEC-Q100 Grade1 车规要求。支持15:1的模拟电流调节、1000:1的PWM高精度线性调光能力;全温度范围内输出实现优于±4%的电流精度;芯片内部或外部PWM配合PDRV驱动直接控制PMOS,有助于提高调光响应速度和快速故障断开的能力。

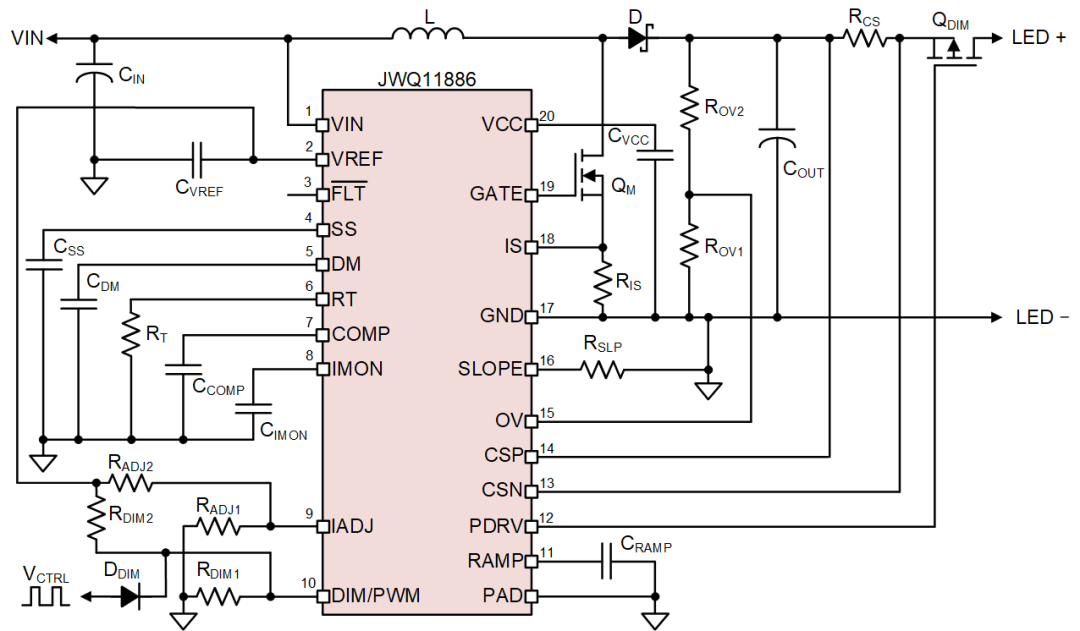
Boost LED Driver(架构框图)
极端情况,稳定供流

基于升压/升降压等拓扑,JWQ11886在宽输入电压变化或负载突降、汽车启动或驱动多个LED等极端条件下,能确保LED的输出电流的稳定可靠,满足汽车外部照明、汽车前照灯、驾驶员监控等设计要求。
全面防护,多重保障
JWQ11886具有逐周期电流限制能力,与灵活可调的斜坡补偿功能,有效防止大占空比下的次谐波震荡问题,确保电路系统的稳定性。可供配置的软启动功能可减少启动应力和浪涌,使得环路逐渐达到稳态工况。为优化电磁兼容问题,芯片具有可配置的抖频功能,保证芯片在不同应用下合规。

JWQ11886采用HTSSOP-20的底部散热封装,具备出色的热性能与完善的故障诊断与保护机制。芯片集成了过热保护、输入欠压、可配置的输出过压保护、输出过流保护、输出欠压保护、逐周期电流限制,以及输出电流监控实现LED开路、短路检测,保障系统的安全运行。

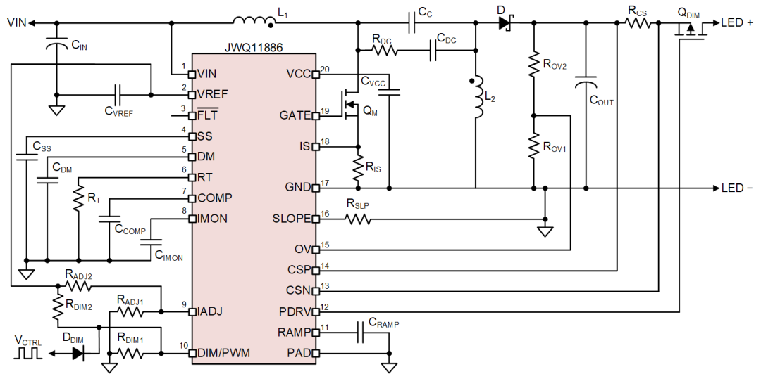
SEPIC LED Driver(拓扑图)
广泛布局,场景赋能
杰华特深耕车身照明领域,以广泛布局与场景深度赋能为核心,专注为用户提供高集成度、高性能、高可靠性的一站式系统解决方案。其车规级LED驱动芯片产品矩阵全面覆盖多元场景,涵盖车内小灯、动态贯穿式尾灯、日行格栅灯等照明场景,单通道JWQ11711、3通道JWQ11730/31、12通道JWQ11712、24通道JWQ11724等系列产品。针对汽车前照灯对稳定控光、高效驱动的核心需求,杰华特精准推出单级恒流控制器 JWQ11886,进一步完善车灯照明产品矩阵。