来源 :峰岹科技Fortior2024-08-12
电动牙刷因其高效、便捷的特性而受到广泛欢迎。电动牙刷的核心在于其内置的电机,这种电机能够驱动牙刷头进行高速振动或旋转,从而提供比普通手动牙刷更为彻底的清洁效果。
峰岹科技(深圳)有限公司作为一家专注于直流无刷电机(BLDC)驱动控制专用芯片研发的企业,针对电动牙刷市场推出了创新技术解决方案——“扫、振一体伺服控制方案”,创新芯片算法可实现精确位置的伺服控制,并根据电机转矩采用力矩动态调整策略,这种精确高效的电机驱动控制方案大大提升了产品体验感。
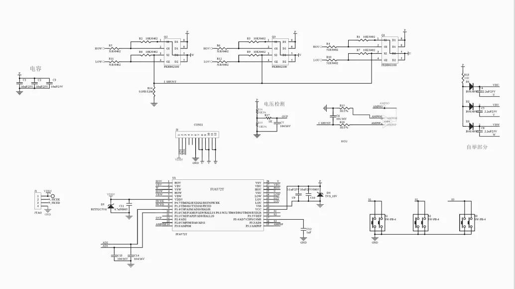
方案主控芯片FU6572T/N
FU6572T/N 系列是一款高性能、高集成双核电机驱动专用芯片。支持三相直流无刷电机和两相步进电机,ME集成多硬件模块,双核架构并行工作模式,可实现有感和无感BLDC电机、PMSM的FOC驱动、方波驱动等控制方式,FOC驱动还支持单电阻、双电阻电流采样;芯片集成如运算放大器、比较器、高速ADC等8种功能模块、内置LDO,芯片高集成特性十分突出。

1
双核架构: ME核+8051核
2
支持三相直流无刷电机、两相步进电机
3
ME: FOC模块、MDU、LPF和PID模块
4
32KB Flash、4K RAM
5
工作电压6V ~ 20V
6
12位ADC: 11通道,1.0μs采样+转换
7
FOC驱动支持单电阻、双电阻电流采样
无感FOC单次运算7us
8
2通道DMA:支持I2C/SPI/UART数据传输
9
支持硬件SIN/COS信号角度解码
精准的伺服控制算法
振动式电动牙刷主要分为两种电机,一种由偏心振动电机实现,多用于中低端电动牙刷方案,缺点是振感强且振动无序;另一种采用直流无刷电机实现,运行时噪声小,机身振感低,振动能量集中。
峰岹扫、振一体伺服控制电动牙刷方案是应用于直流无刷电机的控制方案,基于MCU芯片进行整体的方案设计;

FU6572T/N芯片设计能够实现对电机的精准位置伺服控制,这意味着电机可以被精准地调节到预设位置,最小控制角度可精确到0.1°,确保牙刷头的振动模式符合设定的清洁程序,及稳定的速度控制;可根据客户的需求自由组合各种控制模式,包括扫动幅度,速度,震动频率以及幅度等。
此外,峰岹科技还采用了根据电机转矩进行力矩动态调整的策略,这一技术能够根据用户刷牙时的压力变化自动调整电机输出的力矩,为用户提供最佳的清洁力度和保护。这种“振、扫一体”的方案不仅提升了电动牙刷的用户体验,还增加了产品的智能化水平,使得电动牙刷能够更好地适应个人化需求。


扫、振一体伺服控制方案特点

1
FOC控制,位置精准度高,运行稳定,噪音小
2
HALL信号自校正,提高控制精度
3
先进位置解调算法,位置精确伺服控制,最小控制角度精度0.1°
4
扫振一体,最高振动频率 100000次/分钟,最高扫动速度:600次/分钟;
(常规方案分别为66000次/分钟、500次/分钟)
5
转矩补偿方案,力矩输出更稳定
6
陀螺仪控制(牙刷姿态识别)
7
单/双电阻均可开发,方案功能齐全
8
堵转、过流、欠压、超功率保护功能
9
硬件低功耗,超强待机续航能力

方案应用表现优异

图:传感器反馈
01
扫动角度可调,能达到60°扫动范围,搭配齿槽转矩抑制算法,平滑扫动
扫动速度可调,往复扫动频率可高达到600次/分钟,高动态响应;震动频率自由设定,高达100000次/分钟,实时补偿算法,保证持续高动力输出
02
03
闭环控制自动回正,回正零点,速度以及力矩可由用户自由设定
峰岹科技的FU6572T/N高性能、高集成电机驱动专用芯片及算法技术,为电动牙刷行业带来了革命性的技术进步,扫、振一体伺服控制方案体现了高精度控制与人性化设计的结合,体现了峰岹科技在电机控制领域的深厚积累和突破创新,为消费者带来了更加智能、高效、安全的产品体验,推动行业积极向更高标准发展。