来源 :机经网2022-11-23
11月15日,优利德(UNT-T)“聚合裂变·踔厉奋发”全球巡回新品发布会首站,在东莞总部会议大厅隆重举行。

MSO7000X系列高带宽混合信号示波器领衔UTS3000B系列频谱仪、MSO3000CS系列示波器、UT5320R-Sx系列耐压仪、UDP6730系列直流电源等旗舰产品重磅发布。

1、领“示”无限未来MSO7000X系列高带宽混合信号示波器

MSO7000X非凡的性能指标,全面细致的分析功能,人性化的触控体验,助您在科技的海洋无限探索。
带宽:2.5GHz 、2GHz、1GHz
最高实时采样率:10GSa/s
最大存储深度:1Gpts
最高波形捕获率:
1,000,000 wfms/s(UltraAcq?)
4个模拟通道+16数字通道
Webserver
支持Matlab嵌入式编程
15.6' FHD高清屏,手势触控
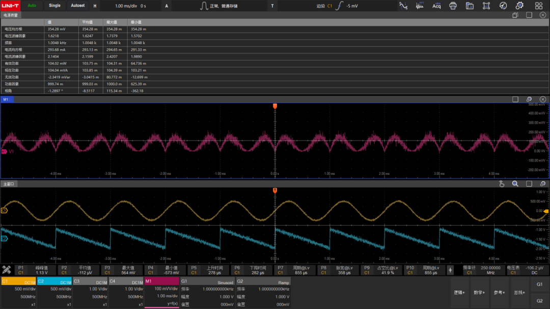
电源测量与分析,电源质量、谐波分析、波纹分析等8大电源分析功能

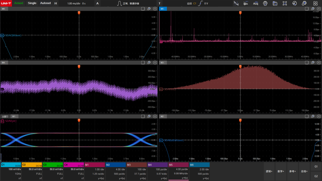
抖动分析/眼图,定位时钟抖动带来的系统故障

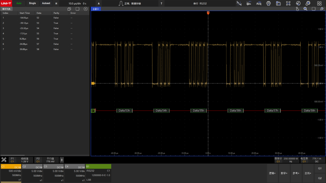
串行协议触发和分析,11种串行总线触发及解码分析

Windows+,支持远程桌面&共享盘访问

2、科技由我“谱”写,UTS3000B系列频谱分析仪

频率测量范围:
9kHz~2.1GHz/3.6GHz/8.4GHz
频率扫描点数高达40001
相位噪声-98dBc/Hz
DANL低于-161dBm/Hz
频谱分析、EMI、矢量分析
高级测量、跟踪源
10.1'多点触控高清屏
40001 扫描点,捕捉更多不易发现信号,提供更高的频率分辨率

优异选择性,小于4.8:1 /更好区分邻近频率

3、经典再掀“波”澜,MSO3000CS 数字荧光示波器

带宽:350MHz/500MHz
实时采样率:2.5GSa/s
波形捕获率高达
1,000,000wfms/s(Fast Acquire)
存储深度:70Mpts/CH
区域触发功能/波特图环测试分析
WebControl
区域触发,轻松完成偶发、复杂特征信号的捕获

波特图,波特图用于环路分析,对频率响应(增益和相位与频率)的关键测量

4、安全守护者,UT5320R-Sx系列多通道可编程耐压测试仪

多通道:4路/8路
全隔离及浮地输出:
交流耐压(ACW):5kV/20mA
直流耐压(DCW):6kV/10mA
绝缘电阻(IR): 2.5kV/10GΩ
全通道接触检查
5、小体量大作为,UDP6730系列宽范围可编程开关直流电源

电压/电流输出:
40V/30A, 80V/15A
输出功率:360W
功率比高达3.33
分辨率:10mV/1mA
远端补偿
List&Delayer
本次发布的旗舰新品,围绕用户需求进行创新、优化和升级,技术上再次突破,从产品设计、研发到量产,无不凝聚工程师的智慧和心血,给大家带来智能化、高性能的测试仪器产品。
特别是MSO7000X系列高带宽混合信号示波器,打破外国高端仪器垄断的格局,掌握高端仪器市场话语权,推动中国仪器品牌国际化进程。未来,优利德将持续加大研发投入,打造更多高性能测试仪器产品,助力中国仪器早日屹立于世界品牌之林。