chaguwang.cn-查股网.中国
查股网.CN
新风光(688663)内幕信息消息披露
 
个股最新内幕信息查询:    
 

电驱+储能 I 新风光引领石油压裂行业发展风向标

http://www.chaguwang.cn  2024-01-12  新风光内幕信息

来源 :新风光2024-01-12

  在页岩油气的开采中,压裂技术是一种常用的油气井增产技术。通过将高压液体注入到含有油气的岩石层中,从而在岩石层形成裂缝,使得原本无法被开采的油气资源能够顺利流出。当探测到某处具备页岩油气资源后,会首先由钻井方施工队进行现场作业,搭建钻机进行钻井,整个钻探过程包括钻井、录井、测井、固井、射孔。

  上述步骤完成后,才正式进入压裂阶段,通过向井内注入压裂液完成压裂过程。注入的压裂液体种类很多,根据不同的现场也会有不同的工艺。压裂设备主要有柴驱压裂和电驱压裂两种驱动方式,柴驱压裂是传统的驱动方案,具有环境污染、噪音大、功率密度小等明显短板,而电驱压裂设备的环保性、经济性都胜过传统柴驱。新风光推出了针对压裂现场的变频驱动和燃机发电储能的系统方案,压裂施工现场的系统图如下:

图片

  电驱控制系统概述

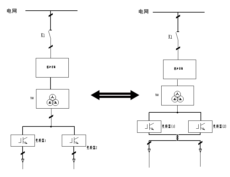
  主回路结构

图片

  为了应对压裂现场多个不同功率泵撬的应用场合,电驱压裂撬变频器采用一拖二的主回路结构。变频器可单机运行独立拖动两台电机,亦可并机运行拖动一台更大功率电机,极大的增加了变频器与泵撬搭配的灵活度。

  燃气发电机与高压储能系统

  储能系统应用在压裂现场

  页岩油气主要分布在盆地、山区等较偏远区域,这些区域常不具备电网条件。因此压裂作业现场常常会使用燃机进行发电,燃气发电可采用LNG、CNG等供气方式,较传统的柴油发电机相比,燃机发电具备体积更小、重量更轻、单机功率更大、污染小等优点。为提高压裂作业现场的电力系统可靠性和稳定性、促进电能的节约和环保、支持清洁能源的发展,高压储能系统在压裂现场作为发电端储能设备发挥了重要作用。

  高压储能系统架构

图片

  高压储能系统主要由电池、EMS系统、BMS系统、储能变流器等组成。目前高压储能系统中的电池常采用磷酸铁锂电池,多个电芯组成一个电池PACK,电池PACK又根据不同的组合方式组成一个电池簇。EMS即能量管理系统,主要用于电网内部能量控制,维持电网功率平衡,保证电网正常运行。BMS系统即电池管理系统,主要是为了智能化管理及维护各个电池单元,防止电池出现过充电和过放电,延长电池的使用寿命,监控电池的状态。储能变流器又称为PCS,是实现电网AC和电池DC之间的转换装置,AC/DC即充电过程,DC/AC即放电过程。

有问题请联系 767871486@qq.com 商务合作广告联系 QQ:767871486
www.chaguwang.cn 查股网