来源 :新风光2024-02-01
在电网中,大量的非线性负荷的使用,导致电网电能质量问题日益突出。如电弧炉、中频炉、矿热炉、变频器、整流器等非线性负荷的使用,导致电网出现闪变、谐波、不平衡、过压、欠压等电能质量问题。这些电能质量问题一方面难以满足生产生活中日益增多的“高”“精”“尖”设备的使用需求,另一方面还造成电网输配电设备的损耗。其中,谐波的危害十分严重,谐波使电能的生产、传输和利用的效率降低,使电气设备过热、产生振动、产生噪声,并使设备绝缘老化,使用寿命缩短,甚至发生严重的故障或烧毁,治理谐波的需求日益增多。

静止无功发生器(SVG)是现阶段电力系统最先进的无功补偿技术。不再采用大容量的电容器、电感器来产生所需无功功率,而是通过全控型电力电子器件IGBT的高频开关特性,实现对补偿控制技术质的飞跃,特别是通过改进控制算法,可实现对谐波、无功的综合补偿。
新风光方案
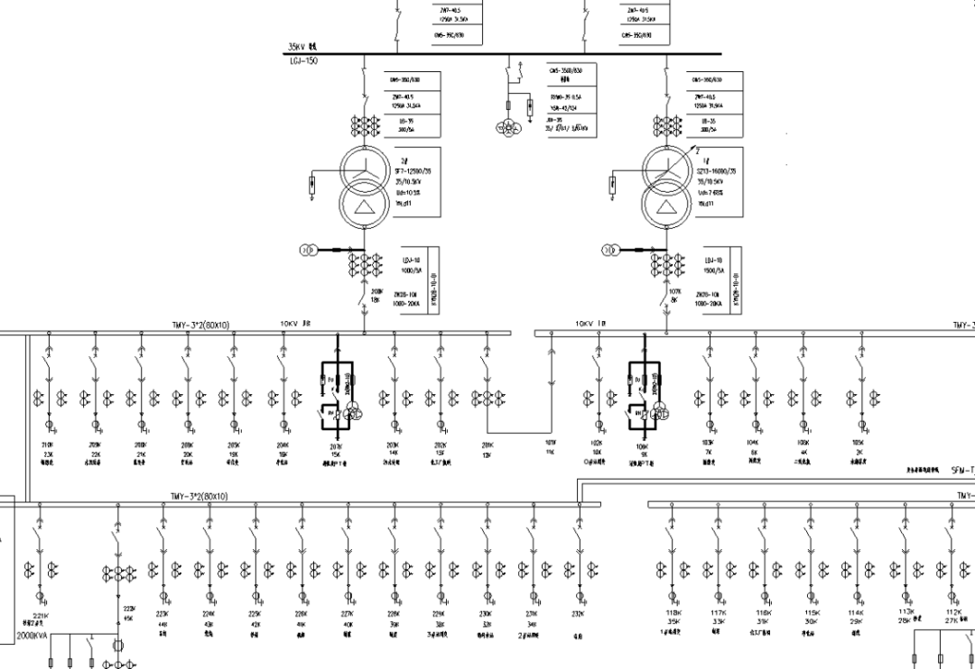
某造纸厂35kV电网通过两台主变为厂内10kV母线供电,主变为一用一备。10kV母线上有近60条用电支路,以及两路自发电机组。其中用电设备有二氧化氯整流变、氯碱整流变、低压变频等设备,以5、7次谐波为主,其中5次谐波超标,供电公司要求限期治理。

为了治理5次电流谐波,现场在10kV母线上安装了一台10kV 5Mvar SVG,采集系统电压、系统电流、负载电流,自动计算系统无功需求,快速、连续地调节容性或者感性无功功率输出,保障电力系统稳定、高效、优质地运行。

设备运行后,各供电电源的5次谐波电流都明显减低,补偿效果如下图所示。

补偿前电压谐波

补偿后电压谐波
产品优势
新风光SVG设备具有优异的功能性能,能够对工业现场中的各种电能质量问题进行有效治理,相比传统补偿方式,具有以下优势:
▲能够抑制系统中的谐波,治理三相不平衡问题。
▲能够接入现场的控制系统,实现远程数字化控制。
▲能够提高现场的功率因数,避免力调电费。
▲机型多样,有户内、户外、风冷、水冷多种机型,能够根据现场情况配置最优的方案。

全系列FGSVG解决方案
SVG作为最先进的无功补偿设备,得益于其优异的性能,越来越多的客户认可并使用SVG提升电能质量,保障生产工作安全稳定。新风光作为SVG领域领军品牌担当,不断进行技术创新,为各行业用户提供更专业电能质量问题解决方案。