来源 :新风光2025-01-17
项目概述
烧结风机为钢铁企业的关键设备之一,担负着烧结燃烧过程中持续送风功能,电机功率较大,启动时电流会给电网造成巨大冲击,且电机运行过程中不允许停止。现场为7000kW励磁电机,变频器需要配合原有设备,使用固定励磁模式调试,争分夺秒,最终设备一次性带载运行成功!

现场工艺
烧结生产流程:烧结作业系将粉铁矿,各类助熔剂及细焦炭经由混拌、造粒后,经由布料系统加入烧结机,由点火炉点燃细焦炭,经由抽气风车抽风完成烧结反应,高热之烧结矿经破碎冷却、筛选后,送往高炉作为冶炼铁水之主要原料。

新风光方案
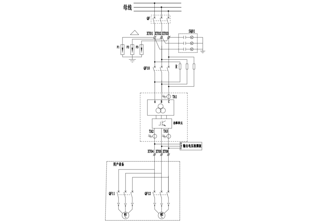
针对现场工况,负载为10kV 7000kW电励磁烧结风机,新风光配置的大功率高压变频器JD-BP38-8000FF,配置有输出电压检测板,采用一拖二配置,现场改造项目,配合现场原励磁系统,设置为固定励磁方式。


现场变频器

现场励磁柜

主回路系统图
高压变频器配套现场的励磁柜进行升级改造,采用固定励磁的方式驱动现场的电励磁电机运行,变频器配合现场设置励磁电流大小,并依据运行频率的大小分两段进行控制。
现场增加配置,依据现场需求任意选择当前的电机启动回路,现场点击开机信号后对应回路的输出断路器闭合并开机,现场给出停机信号,停机后断开输出接触器,防止电流倒灌。现场控制电调试,模拟开停机过程和模拟量交互励磁电流过程,全程调试无异常。
01
高性能
采用VF控制模式控制超大功率电励磁电机,低频下固定励磁启动,电流可控,响应时间快,实现固定励磁分断调节,满足现场励磁改造启动。
02
高可靠
采用模拟量通讯控制励磁信号,依据现场实际需求更改励磁电流大小,依据运行频率大小实现切换,采用输出电压板检测当前电机运行频率,电励磁电机同样实现稳定飞车启动,确保运行过程稳定可控。
03
强适应
调速范围宽,精度高,具有超强高低电压穿越功能,电网出现短时掉电时,具备瞬时停电再启动功能,保障用户负载稳定运行。
04
易管理
支持Modbus-RTU、Profibus-DP、Modbus-TCP、Profinet-PN等多种通信协议,方便与用户DCS系统相连,实现设备集中化管理。
使用能效
系统特点及节能效果:
●实现了大功率电励磁电机的固定励磁启动运行,启动过程平稳。
●减小了维护工作量和维护费用,为用户带来实际价值。
●调速范围宽,精度高,烧结风机可以依据现场实际需求调节运行,并实现了飞车启动。
●变频器具有多项电励磁电机保护功能,保证现场稳定运行。
●在现场停产24小时的基础上,一次性调试并带载运行成功,完全满足现场实际运行需求,赢得客户的好评。
●现场实际运行中,电流稳定,波形良好,单元温度稳定。

现场运行HMI主画面

现场运行电流波形

现场运行单元电压及温度
结束语
新风光大功率变频器的电励磁电机驱动技术,在采用固定励磁的基础上,降低启动电流大小,大大减少了电网的冲击,一次性调试带载运行成功,得到客户的认可。该变频器使用后对电网谐波干扰较小,输入功率因数高,输出波形质量好,值得在行业中大范围推广。