来源 :新风光2025-03-18
项目背景
某大型钢铁企业轧钢车间配电系统原采用传统TSC(晶闸管投切电容器)进行无功补偿。随着生产规模扩大,车间内大量变频器、电弧炉等非线性负载占比增加,导致以下问题:
01
功率因数波动大
平均功率因数仅0.75~0.82,面临电网质量考核。
02
电压闪变严重
轧钢机冲击性负载导致母线电压波动±10%,影响精密设备运行。
03
谐波超标
5次、7次谐波含量超国标限值,电容器频繁烧毁。
企业决定对配电系统进行改造,采用高压SVG替代原有TSC装置,实现动态无功补偿与谐波治理。

改造方案设计
01
技术选型
新风光技术人员对现场电能质量问题进行测量评估,出具专业的电能质量测试报告,根据现场实际情况,提供解决方案,配置10kV 8Mvar户内水冷型SVG设备,响应时间更快并且兼具谐波治理功能。
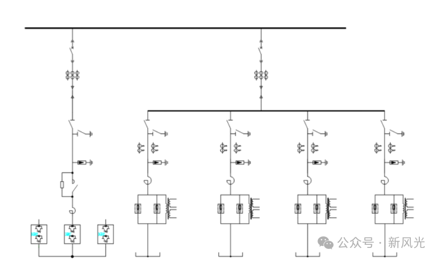
01
系统拓扑


实施效果对比

技术亮点
01
动态响应能力:SVG可在1个工频周期内完成无功补偿,有效抑制冲击负载引起的电压闪变。
02
四象限运行:支持容性与感性无功双向调节,适应钢厂复杂工况。
03
智能运维:可连接现场后台或上位机系统,实现远程监控与故障预警,降低人工巡检成本。
高压SVG改造通过快速动态补偿与谐波抑制,解决了传统无功装置响应慢、谐波放大等问题,兼具经济性与可靠性,是智能电网升级的关键技术之一。
新风光多年来专注电力电子技术的研发与应用,SVG产品拥有完全自主知识产权,系列产品广泛应用于风电、光伏、冶金、煤矿等行业,市场占有率逐年提高,并获得制造业单项冠军称号。新风光努力践行“节约能源,服务社会”的企业愿景,为国家实现“双碳”目标贡献新风光力量。
