摘要
空压机作为一种通用的机械设备,在多个行业中发挥着重要作用。新风光电子科技股份有限公司研制的高压级联式变频软启动装置,采用一拖二的变频软启动装置软启动技术在空压机负载上成功应用,给用户带来了突出的经济效益,保证了现场的稳定运行。
PART.01
用户现场情况简介
山东某化工企业有两台空压机,是生产过程中的重要设备,现场两台电机均为10kV、4000kW,需求空压机设备启动时应保证不会出现电网拉低或者电网波动,启动时间短、控制便捷等一系列问题。针对此类情况,新风光电子科技股份有限公司(以下简称“新风光”)出具变频软启动一拖二解决方案,满足现场使用的一系列需求,现场投运后表现出极高的可靠性,稳定性,便捷性。为了实现现场的各种诉求,变频软启动装置具备了以下条件:
变频软启动具有高防护、高稳定性、高便捷行,全程可实现无人值守。
变频软启动装置为带电抗器的无扰一拖二切换装置,变频软启动装置可以任意拖动一台电机运行,无启动顺序限制,保证现场的工艺要求。
变频软启动装置启动过程要求平稳,启动力矩大,空压机启动时间短,保证现场使用需求。
变频软启动装置具备严格的电气互锁和程序互锁逻辑,严格控制无扰切换过程刀闸顺序,并具备完整的故障报警防护措施,确保切换过程稳定。
变频软启动装置对接空压机电控系统,满足各种功能接口和监控要求,保证运行中不会因为参数更改导致意外停机。

经过反复的技术研讨和方案评估,选择新风光
JD-BP38-2400FF2A型变频软启动装置,对空压机进行了节能升级改造,达到了预期目的。
PART.02
新风光JD-BP38-2400FF2A
变频软启动装置基本参数
依据现场要求,新风光变频软启动装置需要实现空压机的两台无序启动,系统需要具有重载启动,无扰切换,逻辑保护、通讯接口等基本功能,此外新风光高压变频软启动装置还具备以下特点:
采用完美无谐波的单元串联多电平拓扑结构,具有较低的电网电流谐波,满足电网对电能质量的严格要求,无需使用输出滤波器,可采用普通异步电动机。
振荡抑制技术:电机轻载或空载时会出现局部不稳定现象,这时的电流幅值波动很大,电流的振荡可能会导致系统因过流或过压而触发保护。我公司采用优越的电流振荡抑制算法,能有效抑制电流的振荡抑制,保证系统稳定可靠的工作。
中性点漂移功能:检测到单元故障后,可在100μs之内将单元旁路,执行星点漂移技术,保持输出线电压平衡,最大程度提高电压利用率。
配置转矩协调功能可实现对多电机驱动系统的转矩实时控制。
可配置2倍以上电流过载能力,可满足大惯量系统的重载启动要求。
参数完备,系统提供并记录电机运行过程所需各种参数用于现场监测保护。
输出电压自动稳压技术:变频软启动装置实时检测各单元母线电压,根据母线电压调整输出电压系数,从而实现自动稳压功能。避免电网波动对输出电压的影响。
PART.03
控制方案
现场采用一套新风光电子科技股份有限公司生产的JD-BP38-2400FF2A高压变频调速系统,额定电压10kV,额定电流173A,额定功率2400kW。
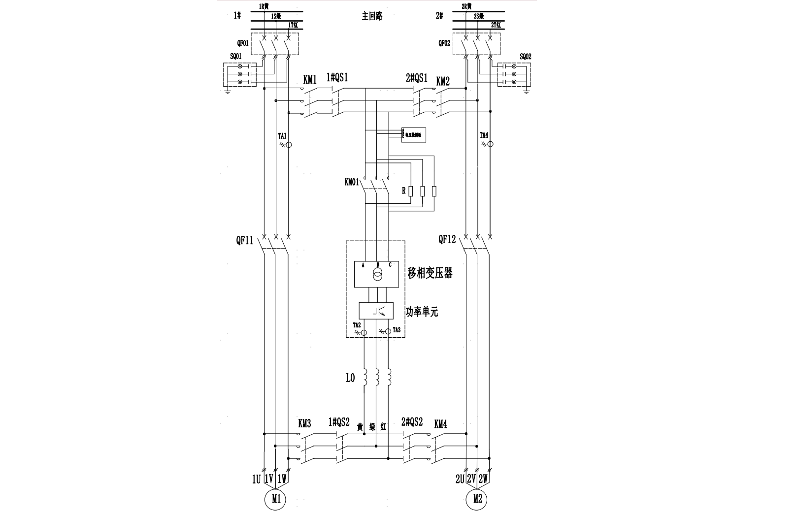
变频软启动装置控制方案主回路控制,便于现场并网满足现场空间需求。

变频软启动装置一拖二一次系统图
现场使用空间受限,本次设计变频软启动装置具备灵活设计,变频软启动装置可以按照用户需求实现选择任一台空压机启动,启动后电机自动无扰切换到工频运行,之后再启动下一台电机运行,当变频软启动装置启动过程故障时,可以应客户实际需要实现故障转工频或者工频直启。

变频软启动开机准备流程图
01
控制电上电,刀闸操作闭合
变频软启动装置上控制电,检测高压未就绪,接触器状态满足,可以操作隔离刀1#QS1、1#QS2,隔离刀操作闭合。
02
变频软启动装置自检
检测当前变频软启动装置回路中的刀闸是否闭合,系统是否无故障,外部急停及工艺允许信号是否满足,条件均满足则送出“高压允许合闸”信号。
03
高压上电
“合闸允许”送出至高压柜,高压柜允许上电。
04
电机选择
上电完成后,依据当前的控制模式进行选择电机,本系统选择电机有三种方式。
① HMI控制模式:HMI设定编号,主界面设定电机编号为1或者2。
② DCS/远控盒控制模式:依据端子信号设定编号,对应电机编号端子输入即为选择完成,信号无输入或者多输入则判定电机编号选择错误。
③ 上位机模式:通讯设定编号,上位机可通过通讯方式写入变频器选择的电机编号,变频器支持Modbus、Profibus、Profinet、EtherCAT、Ethernet等主流通讯协议。
此外,无论何种模式选择,人机界面和上位机均会显示当前选择电机的编号。
05
接触器/断路器合闸逻辑
电机选择完成之后,对应回路的接触器合闸,以变频软启动装置选择1#电机为例。
选择1#电机之后,判定当前的工频回路QF11未合闸,变频软启动装置无故障,输出接触器KM1、KM01、KM3依次合闸,之后送出“变频就绪”信号,现场接收到“变频就绪”信号,等待现场的开机信号。
06
转工频逻辑
接收到现场的开机信号,变频软启动装置运行,具体流程如图3所示。阐述如下:
变频软启动装置频率逐渐上升至50HZ,开始锁相,等待锁相完成,工频接触器QF11闭合,依次断开接触器KM3、KM1、KM01,变频软启动装置封波,至此转工频完成。

变频软启动开机过程流程图
2#电机启动顺序同1#电机,每次电机选择前都需要判定变频软启动装置处于停机状态,当变频软启动装置电机选择编号发生变化时,分断其他变频回路的接触器,闭合当前选择电机回路的输出接触器。
注:开停机信号可以在人机界面,DCS,远控盒,上位机等方式实现远程开停机,频率设定等操作。
07
保护信号
当检测到当前运行电机回路时,会激活相应的变频软启动装置报警信息。为保证变频软启动装置后期兼容不同类型电机,采用参数备份切换的方式来保证变频软启动装置选择不同回路时存在不同的应对策略,保证现场的稳定运行。
PART.04
采用变频软启动装置驱动空压机的实现效果
该变频软启动装置自2023年4月完成调试并正式投入使用以来,持续稳定运行,至今保持零故障记录。

变频器运行现场

现场电机铭牌数据
01
便捷性
“一拖二”技术方案实现了变频软启动装置本体多回路无扰切换,使用固态软启动实现一拖多的设计,设计成本高,设计难度大;客户远程给定信号即可实现空压机快速无扰启动,全程无人值守,完美解决现场问题,具有充分便捷实用性。
02
高效性
变频软启动装置是建立在变频器的基础上实现的功能型产品,良好的动静性能,启动转矩大,转矩动态响应快,调速精度高,带负载能力强。监测整个启动过程,电网无冲击,启动过程平稳,赢得客户好评。
03
可靠性
变频软启动装置内部采用模块化设计,并采用高等级防护,单元位置可以互换,检修方便。变频作启动器运行,内部采用光纤通讯,通讯可靠,信号稳定,保障设备的稳定运行;当变频软启动装置运行过程存在故障时会自动执行中性点漂移技术,实现单元故障不停机;工频运行时为接触器远程控制,可以实现外部控制直接启停,满足现场多方面需求。
04
易用性
本变频软启动装置支持任意电机编号启动,有利于现场调整工艺,支持电机多参数输入,多方面确保设备的稳定性。
综上,变频软启动装置的技术性能和现场表现,对应制造业行业推广此类控制方式,极大保证了设备稳定的同时,最大限度的保证了现场的便捷和可靠性。
PART.05
结束语
空压机系统采用新风光电子科技股份有限公司生产的JD-BP38系列变频软启动装置后,现场运行生产稳定,空压机启动时长满足实用需求,配合现场控制完美解决了现场控制复杂问题,极大提高了空压机系统的便捷性。现场实际应用情况表明,使用新风光技术先进、可靠的变频软启动装置拖动空压机等多负载启动现场,可大大提高现场的运行效率,降低现场维护量,并带来了可观的经济效益,值得广泛推广。