chaguwang.cn-查股网.中国
查股网.CN
新风光(688663)内幕信息消息披露
 
个股最新内幕信息查询:    
 

聚力共赢 技术突破|新风光(苏州)携手能建时代储能技术研究院,光储直流一体化样机测试圆满收官!

http://www.chaguwang.cn  2025-12-25  新风光内幕信息

来源 :新风光2025-12-25

  热烈庆祝我司与能建时代(上海)新型储能技术研究院有限公司合作的光储直流一体化新型发电系统样机测试

  取得圆满成功

  我国大多数新能源富集区域位于电网末端,新能源场站并网点的短路比普遍较低。当短路比过低时,新能源场站并网可能出现次同步振荡等稳定性问题,导致弃光等现象,影响新能源消纳。

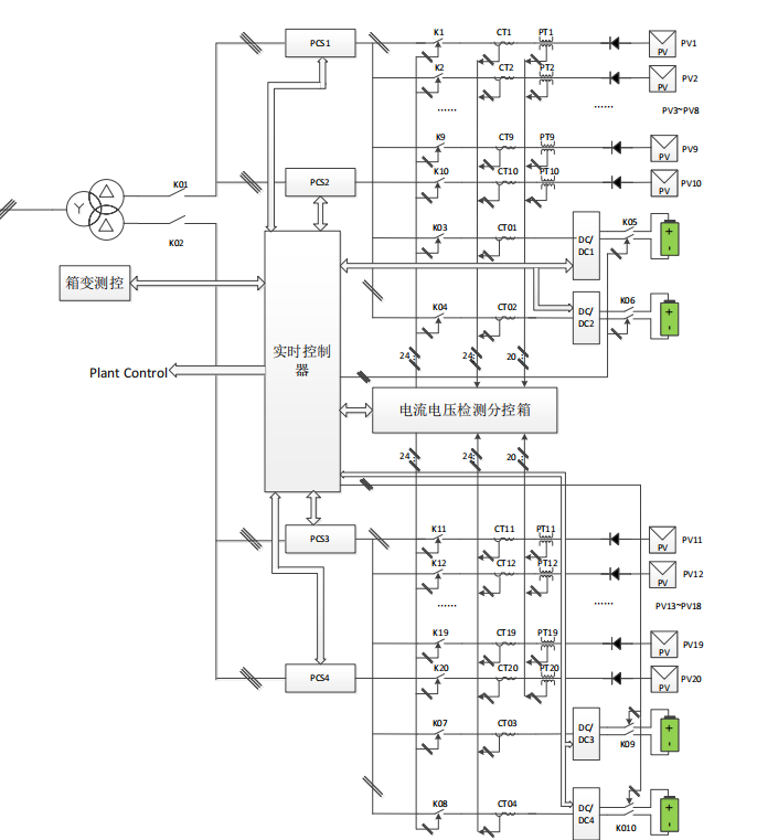
  光储直流一体化新型发电系统

  介绍及优势

  光储直流一体化新型发电系统是集光伏发电、储能单元、直流耦合技术与智能控制于一体的创新能源装备。该系统通过直流侧直接互联架构,实现能源的高效采集、存储、调度与并网,为弱电网场景、工商业用能及新型电力系统建设提供核心支撑。

  01

  能效显著提升

  直流侧直接互联减少多级转换损耗,结合高容配比设计,在相同逆变器容量下可提升光伏装机规模,显著降低弃光率。

  02

  电网适应性强

  依托直流耦合器的稳定支撑作用,能有效抑制次同步振荡,解决新能源富集区域因短路比低引起的并网难题,提升电压稳定度。

  03

  成本优势显著

  通过省去冗余的储能变流器、中压柜等核心设备,可大幅简化系统整体拓扑结构,从源头上削减设备采购、方案设计与施工部署的多重成本,显著降低项目初始建设投资。

  04

  操作维护便捷

  采用标准化模块化设计,不仅能实现系统的快速安装调试与按需弹性扩容,还能大幅减少设备故障排查难度与日常巡检频次,有效降低后期运维的人力、时间与物料成本。

  05

  运行安全可靠

  集成防反接、过载熔断、绝缘监测等多重保护功能,设备防护等级达 IP54 以上,适应户外恶劣环境;并网冲击小,故障发生率显著降低。

  此次样机测试圆满成功,是新风光(苏州)与能建时代(上海)新型储能技术研究院有限公司深化合作、协同创新的重要里程碑。该成果不仅验证了光储直流一体化新型发电系统在弱电网场景下的优异性能与运行可靠性,也为解决新能源富集区域的并网难题、提升新能源消纳效率提供了切实可行的技术方案。

e39bd7f8dcba2038b32119bcccdf0971.jpg

  展望未来,双方将继续加强技术协同与产学研合作,持续优化光储直流一体化系统解决方案,为我国新能源产业的高质量发展与新型电力系统建设注入更多创新动力。

查股网为非盈利性网站 本页为转载如有版权问题请联系 767871486@qq.comQQ:767871486
Copyright 2007-2025
www.chaguwang.cn 查股网